ASM50
| Katalog : | 1012-501 |
| Dostupnost : | na objednávku |
| (obvyklá max. doba dodání : 3-5 dnů) | |
přidat do mého seznamu oblíbených položek
Jakmile bude položka naskladněna, přijde Vám zpráva.
nastavit hlídacího psa = pošle mail jakmile bude položka naskladněna
| cena eshop s DPH : | 255,- Kč |
| cena na prodejně : | 263,- Kč |
| sleva : | 3,04 % |
množstevní slevy eshop (Kč) |
||
počet | bez DPH | vč. DPH |
1 ks | 211,- | 255,- |
od 3 ks |
166,- | 200,86 |
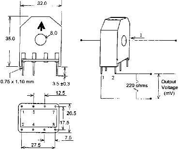
Proudový převodník 5-50A
Měřený kmitočet: 50/60Hz
Tolerance: 10%
Doporučená zátěž: 220 ohm
Pracovní teplota: -40...120°C
Výrobce: TALEMA
Elektronické součástky Zdroje energie
Kondenzátory

