AZ750
| Katalog : | 1012-526 |
| Dostupnost : | na objednávku |
| (obvyklá max. doba dodání : 3-5 dnů) | |
přidat do mého seznamu oblíbených položek
Jakmile bude položka naskladněna, přijde Vám zpráva.
nastavit hlídacího psa = pošle mail jakmile bude položka naskladněna
| cena eshop s DPH : | 240,- Kč |
| cena na prodejně : | 248,- Kč |
| sleva : | 3,23 % |
množstevní slevy eshop (Kč) |
||
počet | bez DPH | vč. DPH |
1 ks | 198,40 | 240,- |
od 3 ks |
162,- | 196,02 |
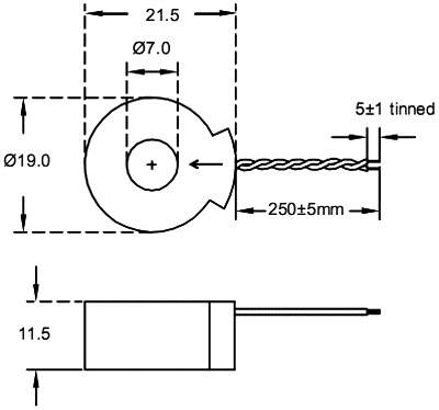
Proudový transformátor 40A, transf.poměr 750:1
Primární proud: 40A
Transformační poměr: 750:1
Doporučená zátěž: 33 ohm
Pracovní teplota: -40...85°C
Výrobce: TALEMA
Elektronické součástky Zdroje energie
Kondenzátory

