ASM20
| Katalog : | 1012-529 |
| Dostupnost : | na objednávku |
| (obvyklá max. doba dodání : 3-5 dnů) | |
přidat do mého seznamu oblíbených položek
Jakmile bude položka naskladněna, přijde Vám zpráva.
nastavit hlídacího psa = pošle mail jakmile bude položka naskladněna
| cena eshop s DPH : | 176,- Kč |
| cena na prodejně : | 182,- Kč |
| sleva : | 3,30 % |
množstevní slevy eshop (Kč) |
||
počet | bez DPH | vč. DPH |
1 ks | 145,70 | 176,- |
od 5 ks |
114,- | 137,94 |
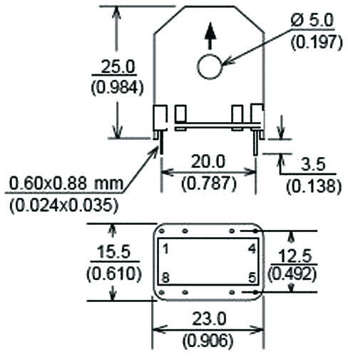
Proudový převodník 1-20A
Měřený kmitočet: 50/60Hz
Tolerance: 10%
Rozteč: RM20mm
Doporučená zátěž: 50 ohm
Pracovní teplota: -40...120°C
Výrobce: TALEMA
Elektronické součástky Zdroje energie
Kondenzátory

