FC100nF-2x2.5nF-DR5 (TC259) odrušovací prvek
| Katalog : | 1015-0125 |
| Dostupnost : | na objednávku |
přidat do mého seznamu oblíbených položek
Jakmile bude položka naskladněna, přijde Vám zpráva.
nastavit hlídacího psa = pošle mail jakmile bude položka naskladněna
| cena eshop s DPH : | 142,- Kč |
| cena na prodejně : | 144,- Kč |
| sleva : | 1,39 % |
množstevní slevy eshop (Kč) |
||
počet | bez DPH | vč. DPH |
1 ks | 117,60 | 142,- |
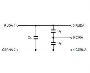
Odrušovací kondenzátor100nF (0.1uF)X2 + 2x2.5nF (2x0.0025uF)Y2, 5 vývodů, 6A, X1Y2
Náhrada za FC259 4119, TC259
Rozměry: průměr 19mm x délka 38mm
Vývody: vodiče 5x na jednu stranu
Délka vývodů: 100mm
Elektronické součástky Zdroje energie
Zdroje energie, aku, baterie, nabíječky, trafa

