| Katalog : | 5102-0266 |
| Dostupnost : | na objednávku |
| (obvyklá max. doba dodání : 3-5 dnů) | |
přidat do mého seznamu oblíbených položek
nastavit hlídacího psa = pošle mail jakmile bude položka naskladněna
| cena eshop s DPH : | 469,- Kč |
| cena na prodejně : | 484,- Kč |
| sleva : | 3,10 % |
množstevní slevy eshop (Kč) |
||
počet | bez DPH | vč. DPH |
1 ks | 387,50 | 469,- |
od 2 ks |
255,- | 308,55 |
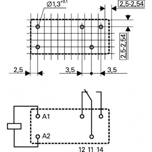
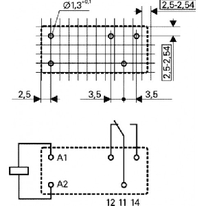
Relé 230VAC, 10A, 1x přepínací kontakt
Konfigurace kontaktů: SPDT (1x přepínací kontakt)
Jmenovité napětí cívky: 230V AC
Zatížitelnost kontaktů AC (při odporové zátěži): 10 A / 250 VAC
Zatížitelnost kontaktů DC (při odporové zátěži): 10 A / 30 VDC
Max. proud kontaktů: 20A
Spínané napětí: max 220V DC, max 400V AC
Montáž: PCB, patice
Odpor cívky: 28 kOhm
Vnější rozměry: 29 x 12.4 x 25mm
Příkon přes cívku: 1.2VA
Pracovní teplota: -40...85°C
Materiál kontaktu: AgNi
Rozteč vývodů: 3.5mm
Proud cívky: 5mA
Elektronické součástky Zdroje energie
24VAC stř.


