| cena eshop s DPH : | 111,- Kč |
| cena na prodejně : | 114,- Kč |
| sleva : | 2,63 % |
množstevní slevy eshop (Kč) |
||
počet | bez DPH | vč. DPH |
1 ks | 91,50 | 111,- |
od 10 ks |
61,- | 73,81 |
Relé 24VDC, 5A, 1x přepínací kontakt
Konfigurace kontaktů: SPDT (1x přepínací kontakt)
Jmenovité napětí cívky: 24V DC
Zatížitelnost kontaktů AC (při odporové zátěži): 5 A / 250 VAC
Zatížitelnost kontaktů DC (při odporové zátěži): 5 A / 30 VDC
Max. proud kontaktů: 5A
Spínané napětí: max 440V AC, max 300V DC
Montáž: PCB
Odpor cívky: 2725 Ohmů
Doba sepnutí: 5ms
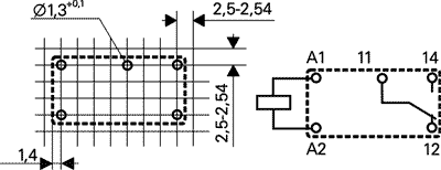
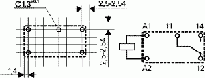
Vnější rozměry: 20 x 10 x 10mm
Doba rozepnutí: 2ms
Příkon přes cívku: 200mW
Mechanická trvanlivost: 150000000cyklů
Pracovní teplota: -40...85°C
Hmotnost: 5g
Materiál kontaktu: AgNi 90/10
Rozteč vývodů: 7.62mm
Proud cívky: 8.8mA
Elektronické součástky Zdroje energie
3VDC


přidat do mého seznamu oblíbených položek