| Katalog : | 5102-1907 |
| Dostupnost : | na objednávku |
| (obvyklá max. doba dodání : 3-5 dnů) | |
přidat do mého seznamu oblíbených položek
nastavit hlídacího psa = pošle mail jakmile bude položka naskladněna
| cena eshop s DPH : | 422,- Kč |
| cena na prodejně : | 436,- Kč |
| sleva : | 3,21 % |
množstevní slevy eshop (Kč) |
||
počet | bez DPH | vč. DPH |
1 ks | 348,80 | 422,- |
od 3 ks |
208,- | 251,68 |
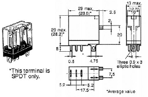
Relé 24VDC, 10A, 1x přepínací kontakt
Konfigurace kontaktů: SPDT (1x přepínací kontakt)
Jmenovité napětí cívky: 24V DC
Zatížitelnost kontaktů AC (při odporové zátěži): 10 A / 250 VAC
Zatížitelnost kontaktů DC (při odporové zátěži): 10 A / 30 VDC
Max. proud kontaktů: 10A
Spínané napětí: max 380V AC, max 125V DC
Montáž: PCB
Odpor cívky: 1100 Ohm
Doba sepnutí: 15ms
Vnější rozměry: 29 x 13 x 29mm
Doba rozepnutí: 5ms
Příkon přes cívku: 530mW
Pracovní teplota: -40...70°C
Odpor kontaktů: 30mOhm
Spínaný výkon: 2500VA, 300W
Rozteč vývodů: 5.2mm
Proud cívky: 21.8mA
Vlastnosti: LED indikátor sepnutí + Transil (dioda omezující přepětí)
Výrobce: OMRON
Elektronické součástky Zdroje energie
3VDC

