| Katalog : | 5102-1959 |
| Dostupnost : | na objednávku |
| (obvyklá max. doba dodání : 3-5 dnů) | |
přidat do mého seznamu oblíbených položek
nastavit hlídacího psa = pošle mail jakmile bude položka naskladněna
| cena eshop s DPH : | 459,- Kč |
| cena na prodejně : | 474,- Kč |
| sleva : | 3,16 % |
množstevní slevy eshop (Kč) |
||
počet | bez DPH | vč. DPH |
1 ks | 379,75 | 459,- |
od 2 ks |
259,- | 313,39 |
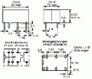
Relé bistabilní 5VDC, 8A, 1x spínací kontakt + 1x rozpínací kontakt, 2x cívka
Konfigurace kontaktů: SPST-NO (1x spínací kontakt) + SPST-NC (1x rozpínací kontakt)
Jmenovité napětí cívky: 5V DC
Zatížitelnost kontaktů AC (při odporové zátěži): 8 A / 250 VAC
Zatížitelnost kontaktů DC (při odporové zátěži): 8 A / 30 VDC
Max. proud kontaktů: 8A
Spínané napětí: max 380V AC, max 125V DC
Verze relé: bistabilní, miniaturní
Montáž: PCB, patice
Odpor cívky: 89.3 Ohm
Doba sepnutí: 10ms
Vnější rozměry: 20 x 15 x 10mm
Doba rozepnutí: 10ms
Pracovní teplota: -25...70°C
Odpor kontaktů: 30mOhm
Rozteč kontaktů: 7.62mm
Proud cívky: 56mA
Popis pouzdra: hermetické utěsnění
Vlastnosti: 2x cívka
Elektronické součástky Zdroje energie
Relé jazýčková

