| Katalog : | 5102-2166 |
| Dostupnost : | na objednávku |
| (obvyklá max. doba dodání : 3-5 dnů) | |
přidat do mého seznamu oblíbených položek
nastavit hlídacího psa = pošle mail jakmile bude položka naskladněna
| cena eshop s DPH : | 191,- Kč |
| cena na prodejně : | 198,- Kč |
| sleva : | 3,54 % |
množstevní slevy eshop (Kč) |
||
počet | bez DPH | vč. DPH |
1 ks | 158,07 | 191,- |
od 5 ks |
96,78 | 117,10 |
Relé 5VDC, 10A, 1x přepínací kontakt, vyšší citlivost
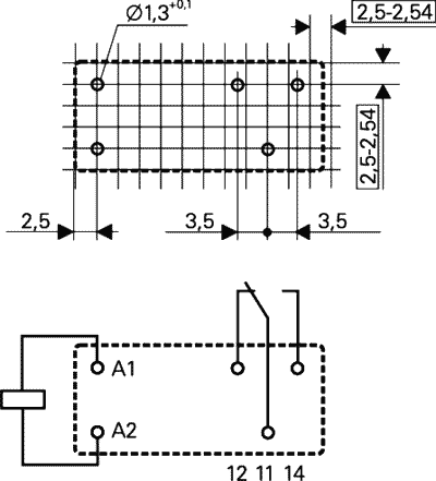
Konfigurace kontaktů: SPDT (1x přepínací kontakt)
Jmenovité napětí cívky: 5V DC
Zatížitelnost kontaktů AC (při odporové zátěži): 10 A / 250 VAC
Zatížitelnost kontaktů DC (při odporové zátěži): 10 A / 24 VDC
Max. proud kontaktů: 10A
Nárazový proud: 15A
Spínané napětí: max 300V DC, max 400V AC
Montáž: PCB
Odpor cívky: 100 Ohm
Min. napětí cívky: 3.7V DC
Doba sepnutí: 10ms
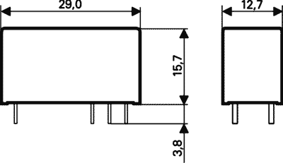
Vnější rozměry: 29 x 15.7 x 12.7mm
Doba rozepnutí: 8ms
Příkon přes cívku: 250mW
Stupeň krytí: IP67
Pracovní teplota: -40...85°C
Mechanická trvanlivost: 30000000cyklů
Hmotnost: 14g
Spínaný výkon: 3kVA
Materiál kontaktu: AgNi 90/10
Rozteč vývodů: 3.5mm
Proud cívky: 50mA
Výška: 15.7mm
Počet pinů: 5
Elektronické součástky Zdroje energie
Relé jazýčková

