| cena eshop s DPH : | 86,- Kč |
| cena na prodejně : | 90,- Kč |
| sleva : | 4,44 % |
množstevní slevy eshop (Kč) |
||
počet | bez DPH | vč. DPH |
1 ks | 71,30 | 86,- |
od 14 ks |
39,- | 47,19 |
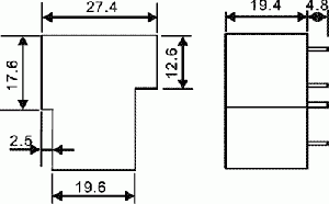
Relé automobilové 24VDC, 30A, 1x přepínací kontakt
Konfigurace kontaktů: SPDT (1x přepínací kontakt)
Jmenovité napětí cívky: 24V DC
Max. proud kontaktů: 30A
Verze relé: hermeticky uzavřené
Odpor cívky: 660 Ohm
Spínané napětí: max 240V AC, max 30V DC
Příkon přes cívku: 900mW
Zatížitelnost kontaktů DC (při odporové zátěži): 20 A / 30 VDC
Odpor kontaktů: 50mOhm
Zatížitelnost kontaktů AC (při odporové zátěži): 30 A / 240 VAC
Vývody: do plošného spoje
Doba sepnutí: 15ms
Doba rozepnutí: 15ms
Mechanická trvanlivost: 10000000cyklů
Materiál kontaktu: AgCdO
Elektrická životnost: 100000cyklů
Elektronické součástky Zdroje energie
3VDC


přidat do mého seznamu oblíbených položek