CH73A/38P-TO220 chladič
| Katalog : | 5105-2021 |
| Dostupnost : | na objednávku |
| (obvyklá max. doba dodání : 3-5 dnů) | |
přidat do mého seznamu oblíbených položek
Jakmile bude položka naskladněna, přijde Vám zpráva.
nastavit hlídacího psa = pošle mail jakmile bude položka naskladněna
| cena eshop s DPH : | 81,- Kč |
| cena na prodejně : | 83,- Kč |
| sleva : | 2,41 % |
množstevní slevy eshop (Kč) |
||
počet | bez DPH | vč. DPH |
1 ks | 67,20 | 81,- |
od 10 ks |
45,50 | 55,06 |
od 26 ks |
18,20 | 22,02 |
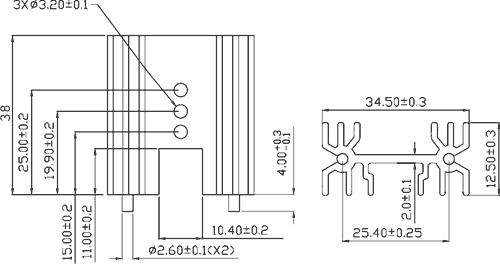
Chladič pro TO220.
Rozměry: 35x38.1x12.7mm (ŠxVxH)
Piny do DPS: 2x rozteč 25.4mm, průměr 2,3mm
Teplotní odpor: 10,8°K/W.
Materiál: hliník
Povrch: černý elox.
Jiné značení: V7477X, HS-135A-38, SK35-38
5105-2012 THF35 přítlačná pružinka pro chladič CH73
Elektronické součástky Zdroje energie
Kontrolky

