FA04 jistič
| Katalog : | 5106-301 |
| Dostupnost : | na objednávku |
| (obvyklá max. doba dodání : 3-5 dnů) | |
přidat do mého seznamu oblíbených položek
Jakmile bude položka naskladněna, přijde Vám zpráva.
nastavit hlídacího psa = pošle mail jakmile bude položka naskladněna
| cena eshop s DPH : | 80,- Kč |
| cena na prodejně : | 81,- Kč |
| sleva : | 1,23 % |
množstevní slevy eshop (Kč) |
||
počet | bez DPH | vč. DPH |
1 ks | 65,80 | 80,- |
od 8 ks |
60,- | 72,60 |
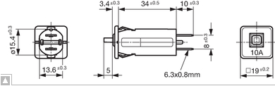
Vratná pojistka (jistič) do panelu, 4A 240V
Jmenovité napětí: 240V AC, 48V DC
Proud maximální: 4A
Konfigurace kontaktů: SPST-NC (rozpínací kontakt)
Montáž: SNAP-IN, na panel
Pracovní teplota: -5...60°C
Vývody: konektory FastOn 6,3x0,8mm
Rozměry montážního otvoru: průměr 16mm
Rozsah tloušťky panelu: 0,8...2,0mm
Hmotnost: 9g
Dielektrická pevnost: 1.5kV
Elektronické součástky Zdroje energie
Přepínače, vypínače, tlačítka, klávesnice

