Spínač na klíč OFF-ON KSx37-1
| Katalog : | 5108-0143 |
| Dostupnost : | na objednávku |
| (obvyklá max. doba dodání : 3-5 dnů) | |
přidat do mého seznamu oblíbených položek
Jakmile bude položka naskladněna, přijde Vám zpráva.
nastavit hlídacího psa = pošle mail jakmile bude položka naskladněna
| cena eshop s DPH : | 229,- Kč |
| cena na prodejně : | 237,- Kč |
| sleva : | 3,38 % |
množstevní slevy eshop (Kč) |
||
počet | bez DPH | vč. DPH |
1 ks | 189,10 | 229,- |
od 4 ks |
117,- | 141,57 |
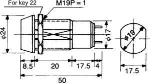
Spínač na klíč 4A/125VAC
Počet stabilních poloh: 2 polohy
Způsob přepínání: OFF-ON
Konfigurace kontaktů: SPST (1x spínací kontakt)
Vlastnosti: klíč vyjmutelný v levé krajní poloze
Materiál tělesa: slitina zinku
Rozměry montážního otvoru: průměr 19mm
Zatížitelnost kontaktů AC: (při odporové zátěži) 4 A / 125 VAC
Mechanický úhel otáčení: 90°
Počet vývodů: 2
V sadě 2ks klíčů
Elektronické součástky Zdroje energie
Relé a přísl., stykače

