| Katalog : | 5108-0315 |
| Dostupnost : | na objednávku |
| (obvyklá max. doba dodání : 3-5 dnů) | |
přidat do mého seznamu oblíbených položek
nastavit hlídacího psa = pošle mail jakmile bude položka naskladněna
| cena eshop s DPH : | 101,- Kč |
| cena na prodejně : | 105,- Kč |
| sleva : | 3,81 % |
množstevní slevy eshop (Kč) |
||
počet | bez DPH | vč. DPH |
1 ks | 83,70 | 101,- |
od 5 ks |
77,- | 93,17 |
od 13 ks |
42,- | 50,82 |
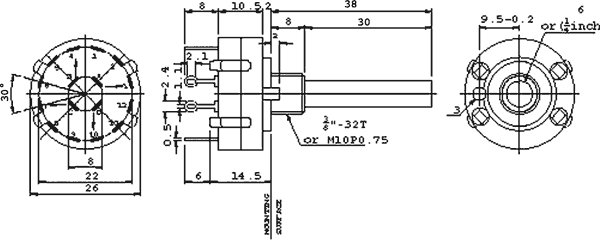
Otočný přepínač 2x6 poloh s piny do plošného spoje, 0.3A/125VAC, 1A/30VDC.
Počet stabilních poloh: 6 poloh
Zatížitelnost kontaktů AC (při odporové zátěži): 0.3A / 125VAC
Zatížitelnost kontaktů DC (při odporové zátěži): 1A / 30VDC
Počet sekcí: 2
Úhel přepínání: 30°
Povrch hřídele: hladký
Počet poloh: 6
Pracovní teplota: -10...60°C
Vývody: piny do plošného spoje
Průměr hřídele: 6mm
Délka hřídele: 30mm
Min. odpor izolace: 100 MOhm
Montážní závit: M10x0,75
Způsob přepínání: BBM (bez přemostění)
Mechanická trvanlivost: 10000cyklů
Otvor v panelu: 10mm
Elektronické součástky Zdroje energie
Relé a přísl., stykače

