| Katalog : | 5108-0889 |
| Dostupnost : | na objednávku |
| (obvyklá max. doba dodání : 3-5 dnů) | |
přidat do mého seznamu oblíbených položek
nastavit hlídacího psa = pošle mail jakmile bude položka naskladněna
| cena eshop s DPH : | 71,- Kč |
| cena na prodejně : | 74,- Kč |
| sleva : | 4,05 % |
množstevní slevy eshop (Kč) |
||
počet | bez DPH | vč. DPH |
1 ks | 58,90 | 71,- |
od 5 ks |
47,- | 56,87 |
od 20 ks |
31,- | 37,51 |
od 50 ks |
13,- | 15,73 |
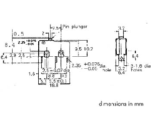
Mikrospínač 5A 250V bez páčky
Konfigurace kontaktů: SPDT (1x přepínací kontakt)
Zatížitelnost kontaktů AC: (při odporové zátěži) 5 A / 250 VAC
Způsob přepínání: ON-(ON)
Počet stabilních poloh: 1-polohové
Stupeň krytí: IP40
Vývody: pájecí
Rozměry tělesa: 19.8 x 6.4 x 10.6mm
Pracovní teplota: -25...65°C
Síla pro přepnutí: 1.5N
Elektrická životnost: 30000cyklů
Max. odpor kontaktu: 30mOhm
Min. odpor izolace: 100MOhm
Rozteč vývodů: 7.3mm
Elektronické součástky Zdroje energie
Spínače DIP

