| Katalog : | 5108-3493 |
| Dostupnost : | na objednávku |
| (obvyklá max. doba dodání : 3-5 dnů) | |
přidat do mého seznamu oblíbených položek
nastavit hlídacího psa = pošle mail jakmile bude položka naskladněna
| cena eshop s DPH : | 131,- Kč |
| cena na prodejně : | 136,- Kč |
| sleva : | 3,68 % |
množstevní slevy eshop (Kč) |
||
počet | bez DPH | vč. DPH |
1 ks | 108,50 | 131,- |
od 5 ks |
91,- | 110,11 |
od 10 ks |
70,- | 84,70 |
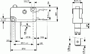
Mikrospínač 250V/12A bez páčky.
Konfigurace kontaktů: SPDT (1x přepínací kontakt)
Zatížitelnost kontaktů AC (při odporové zátěži): 12 A / 250 VAC
Způsob přepínání: ON-(ON)
Počet stabilních poloh: 1-polohové
Stupeň krytí: IP40
Vývody: konektory 6,3x0,8mm
Rozměry tělesa: 27.8 x 10.3 x 15.9mm
Pracovní teplota: -40...150°C
Síla pro přepnutí: 1.5N
Rozteč montážních otvorů: 22,2x10,3mm
Délka páčky: 26,2mm
Mechanická životnost: 250000cyklů
Elektronické součástky Zdroje energie
Spínače DIP

