| Katalog : | 5108-3653 |
| Dostupnost : | na objednávku |
| (obvyklá max. doba dodání : 1 týden) | |
přidat do mého seznamu oblíbených položek
nastavit hlídacího psa = pošle mail jakmile bude položka naskladněna
| cena eshop s DPH : | 167,- Kč |
| cena na prodejně : | 172,- Kč |
| sleva : | 2,91 % |
množstevní slevy eshop (Kč) |
||
počet | bez DPH | vč. DPH |
1 ks | 138,- | 167,- |
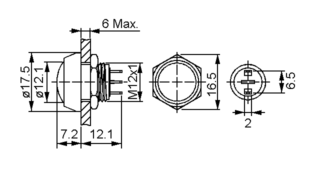
Tlačítko bez aretace 2A/36VDC, 1x spínací kontakt, vodotěsný IP65, odolné proti vandalům
Počet stabilních poloh: 1-polohové
Konfigurace kontaktů: SPST-NO (1x spínací kontakt, v klidu rozepnutý)
Zatížitelnost kontaktů DC (při odporové zátěži): 2 A / 36 VDC
Barva hmatníku: modrá
Vývody: pájecí
Způsob přepínání: OFF-(ON)
Pracovní teplota: -20...70°C
Rozměry montážního otvoru: průměr 12mm
Tloušťka panelu: 1...5mm
Materiál tělesa: ZnAl
Materiál tlačítka: PBT
Materiál kontaktu: CuZn 37/2,5µm Au
Max. odpor kontaktu: 50mOhm
Stupeň krytí: IP65
Min. odpor izolace: 1000MOhm
Elektronické součástky Zdroje energie
Tlačítka s aretací

