| Katalog : | 5108-3661 |
| Dostupnost : | na objednávku |
| (obvyklá max. doba dodání : 3-5 dnů) | |
přidat do mého seznamu oblíbených položek
nastavit hlídacího psa = pošle mail jakmile bude položka naskladněna
| cena eshop s DPH : | 268,- Kč |
| cena na prodejně : | 277,- Kč |
| sleva : | 3,25 % |
množstevní slevy eshop (Kč) |
||
počet | bez DPH | vč. DPH |
1 ks | 221,70 | 268,- |
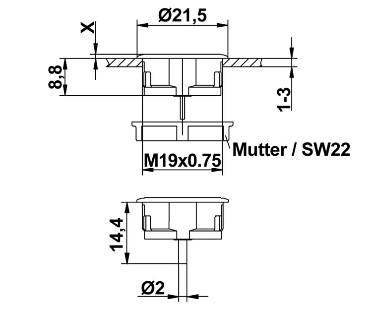
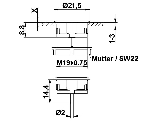
Tlačítko bez aretace 0.125A/48VDC, 1x spínací kontakt, vodotěsný IP65, odolné proti vandalům
Počet stabilních poloh: 1-polohové
Konfigurace kontaktů: SPST-NO (1x spínací kontakt, v klidu rozepnutý)
Zatížitelnost kontaktů DC (při odporové zátěži): 0.125 A / 48 VDC (min. 4VDC) / 1.2W
Stupeň krytí: IP65
Způsob přepínání: OFF-(ON)
Vývody: pájecí dutinky 2mm
Pracovní teplota: -20...60°C
Max. odpor kontaktu: 150mOhm
Síla pro přepnutí: 3.7N
Rozměry montážního otvoru: průměr 19mm
Zdvih tlačítka: 0,4mm
Barva tělesa: stříbrná
Tvar tlačítka: plochý
Materiál tělesa: slitina zinku
Povrch kontaktu: stříbřený
Povlak tělesa: nikl
Průměr: 21.5mm
Elektronické součástky Zdroje energie
Tlačítka s aretací

