Mikrospínač ON-(ON) SW1
| Katalog : | 5108-4401 |
| Dostupnost : | na objednávku |
| (obvyklá max. doba dodání : 3-5 dnů) | |
přidat do mého seznamu oblíbených položek
Jakmile bude položka naskladněna, přijde Vám zpráva.
nastavit hlídacího psa = pošle mail jakmile bude položka naskladněna
| cena eshop s DPH : | 15,- Kč |
| cena na prodejně : | 16,- Kč |
| sleva : | 6,25 % |
množstevní slevy eshop (Kč) |
||
počet | bez DPH | vč. DPH |
1 ks | 12,40 | 15,- |
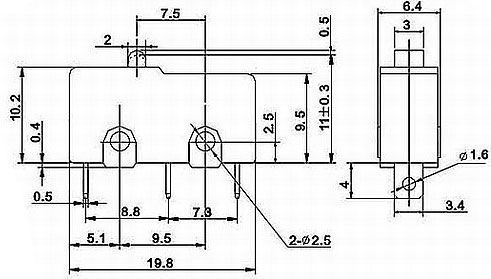
Mikrospínač 125V/5A bez páčky.
Konfigurace kontaktů: SPDT (1x přepínací kontakt)
Zatížitelnost kontaktů AC (při odporové zátěži): 5 A / 125 VAC
Způsob přepínání: ON-(ON)
Počet stabilních poloh: 1-polohové
Stupeň krytí: IP40
Vývody: pájecí
Rozměry tělesa: 19.8 x 6.4 x 10.2mm
Rozteč montážních otvorů: 9.5mm
Elektronické součástky Zdroje energie
Spínače DIP

