Mikrospínač ON-(ON) SW-15BW22
| Katalog : | 5108-4418 |
| Dostupnost : | na objednávku |
| (obvyklá max. doba dodání : 3-5 dnů) | |
přidat do mého seznamu oblíbených položek
Jakmile bude položka naskladněna, přijde Vám zpráva.
nastavit hlídacího psa = pošle mail jakmile bude položka naskladněna
| cena eshop s DPH : | 59,- Kč |
| cena na prodejně : | 61,- Kč |
| sleva : | 3,28 % |
množstevní slevy eshop (Kč) |
||
počet | bez DPH | vč. DPH |
1 ks | 49,- | 59,- |
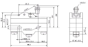
Mikrospínač 250V/15A s páčkou s kladkou.
Konfigurace kontaktů: SPDT (1x přepínací kontakt)
Zatížitelnost kontaktů AC (při odporové zátěži): 15 A / 250 VAC
Způsob přepínání: ON-(ON)
Počet stabilních poloh: 1-polohové
Vývody: šroubovací
Rozměry tělesa: 49.2 x 17.5 x 23.7mm
Rozteč montážních otvorů: 25.4mm
Délka ovládací páčky s kladkou: 26.2mm
Elektronické součástky Zdroje energie
Spínače DIP

